Docencia e Investigación
Arriba Último Nro. Índice Nros. Anteriores Índices Históricos

ISSN: 1575-2844

Revista Vivat Academia

 Histórico Año III

linea.gif (922 bytes)

Noviembre 2000. Nº 20

En esta página encontrarás:

Año y vez en octubre (Por Benjamín Hernández Blázquez)
Mi coche y yo (por Arturo Pérez París)
RECORTES
Ciencia y fatalismo
Las tres M de la ciencia española
La Agencia de Evaluación de Proyectos afirma que está desbordada
El retraso en los pagos ministeriales bloquea los proyectos de cientos de investigadores
El peso militar lastra el Plan Nacional de Investigación

Año y vez en octubre

Por Benjamín Hernández Blázquez. Profesor de la Universidad Complutense.

Pasado el equinoccio y extinguido en su totalidad el estío, al lado de otros fenómenos sociales que siempre catalizan este tiempo, se inicia una nueva andadura. Mientras tanto, los días se achatan mirando lejanamente la inflexión del solsticio de invierno. Las hojas mudan sus tintes, al lado de árboles musgosos que se adornan con los pulcros tonos ocres del ocaso, pues octubre, el primer mes completo del incipiente otoño, no es otra cosa que la aproximación del crepúsculo del año; cromático y elegante como mes, a la par que con las ocasionales lluvias nocturnas, se torna húmedo y reluciente: "la luna de octubre, siete lunas cubra, y si llueve muere".

añoyvez.jpg (55459 bytes)

Alegóricamente se representa el otoño por una figura que varea un árbol para que caigan los frutos, y simbólicamente le corresponde la edad madura, en antagonismo geográfico e histórico con la primavera; como el invierno lo es del verano. Sus principios, octubre, están protagonizados por la siembra; simiente, sembrador, sementera, etc. todos provienen del latín semens = semilla, por eso se piden lluvias: "octubre lluvioso, año copioso" o "a la primera agua de octubre, siembra y cubre". Siguiendo son la sabiduría popular, la lluvia suele caer hacia la primera semana con el denominado "Cordonazo de San Francisco" que "por tierra y por mar la lluvia se hará notar". También por la segunda: "por Santa Teresa el agua en las presas".

La disputa humana del medio físico sobre todo del agua, desde los albores de la humanidad ha sido continua. Por su parte, el desarrollo tecnológico humano ha incidido notablemente en la conquista del medio; conquista que no sólo se gesta en el plano técnico y, por tanto, material sino también en otros aspectos. El ciclo agrícola que se inicia con la sementera requiere de las condiciones climáticas que hagan posible la germinación de las semillas.

En Castilla y León, según el Instituto Nacional de Estadística, se recordará que existen 115.400 explotaciones agrícolas, la tercera comunidad en el ranking, que representa la décima parte del total español; de ellas sólo 99.000 son de terreno labrado, quinta comunidad en este apartado, que representan un reto permanente sobre su rendimiento y competitividad.

El nivel de productividad de la región se ha incrementado en las últimas décadas, así como la tasa de desempleo, y en el camino de la convergencia europea las estructuras productivas han modificado su perfil dejando de mostrarse esencialmente agraria y pasando a una situación con tendencia a la terciarización.

Pero en aquellas amplias zonas de Castilla persiste el sistema de cultivo denominado "año y vez" en que la tierra se siembra de cereal un año y queda el siguiente en barbecho, pudiendo rotar un solo cultivo o varios. Tradicionalmente se sembraba de trigo un año y al siguiente la tierra quedaba de barbecho, el tercero de cebada y el cuarto un nuevo descanso. Existía asimismo el cultivo de "medio barbecho" consistente en ocupar la tierra en el año de barbecho pero únicamente durante una estación, cultivando la mayoría de las veces leguminosas. Las averiguaciones catastrales castellanas nos señalan que "pueblos y aldeas se resisten a que se les valoren los frutos de los medios barbechos" alegando que los mayores frutos obtenidos tendían a compensarse con los menores que obtenían en la cosecha siguiente, dado que la tierra perdía riqueza.

Entre los autos de las averiguaciones figuraban en numerosos pueblos de la meseta los censos tomados por el común, así como datos de bienes mostrencos o aplicados al Estado. Los bienes comunales pertenecían por igual a todos los vecinos y moradores, que podían disfrutar de los mismos bajo ordenanzas preestablecidas de común acuerdo. No obstante, abundaban los casos en los que se restringía el aprovechamiento de tales bienes, excluyendo "a los no avecinados o a las viudas forasteras que habían estado casadas con vecinos del pueblo".

Al margen de estas figuras, el Ministerio no se ha planteado siquiera, en todos estos años de triunfalismo económico, una política de comercialización, ni tampoco de regular la denominada producción integrada que constituye una garantía para los consumidores a la vez que un premio para los agricultores más innovadores.

Volver al principio del artículo             Volver al principio

Mi coche y yo

(y que D. Juan Ramón Jiménez me perdone).

Por Arturo Pérez París

Cuando me saqué el carnet de conducir en Mayo del 92 tuve el privilegio de disponer de coche propio desde el primer día. Aunque mecánicamente estaba impecable (gracias a Dios continua estándolo, ya que afortunadamente en lo tocante a esa materia la Renault no tiene mala tecnología), en lo que se refiere a la electricidad, estaba en la peor de las situaciones posibles: el cierre centralizado funcionaba mal, la mitad de las luces no se encendían, apenas tenía batería y un largo etcétera que me llevó mes y medio solucionar con paciencia, repuestos y los libros adecuados. Debo decir que fue un trabajo sucio. En esto coincidirá conmigo cualquiera que haga o haya hecho la más mínima ‘chapucilla’ en un coche: Se pone uno de porquería hasta las orejas.

Dejando aparte este contratiempo, resulta después muy reconfortante ver que la reparación fue un éxito o que la mejora en nuestro coche surte el efecto esperado. Volviendo a mi coche, debido a la cantidad de años que tiene (en breve alcanzará la mayoría de edad), desde que cayó en mis manos, me dedico entre siete y quince días a realizar todas esas mejoras y reparaciones, que no son excesivamente importantes, pero que surgen a lo largo del año. Las importantes obviamente se resolverán lo antes posible. Después de tantos años (y suciedad), dichas experiencias han dado origen al presente artículo. Se describen circuitos que tienen o pueden tener aplicación en el automóvil. Para no extenderme, en exceso supondré que el lector tiene ciertos conocimientos de electrónica, o sea, sabe lo que es un resistor, un condensador, un diodo, un transistor, etc. por lo que la explicación exhaustiva de dichos circuitos será obviada ya que parto de la creencia de que este puede intuirse mediante esos conocimientos previos que están fuera del presente texto.

También se verán los cargadores de baterías que, aunque no son parte del automóvil sí nos serán de utilidad, sobre todo, cuando queramos recuperar la batería que, por un descuido accidental, se nos ha descargado al cortocircuitarla sin querer, produciendo, además del susto por el chispazo, ciertos efectos colaterales:

cable.jpg (4274 bytes)

Foto del cable quemado.
Aunque no se aprecia muy bien en la imagen, el cable presenta cristalización en algunos sectores.

En un automóvil, uno de los procedimientos más sencillos para conocer el estado de su batería es medir la tensión de esta, tensión que varía entre los 11V cuando está descargada y los 14V a plena carga para baterías con una tensión nominal de 12V. El circuito que se describe a continuación resuelve el problema de medida mediante un instrumento indicador, cuyo mínimo de escala se localiza en 10V, evidentemente tensiones menores de batería no nos interesan y su máximo en 14V.

figura161.jpg (7964 bytes)

Circuito para la medida de la tensión de la batería.

El esquema comprende un amplificador diferencial formado por dos transistores, Q1 y Q2, un circuito estabilizador formado por una resistencia R1, un diodo zener D1 y un divisor de tensión para realizar la medida formado por R2, R3 y R4. El instrumento indicador podría ser básicamente un microamperímetro de 500m A de fondo de escala. El funcionamiento del conjunto es sencillo y se basa en la comparación de una fracción de la tensión de la batería, suministrada por R2, R3 y R4 y de la fija suministrada por el estabilizador, donde la elección de tensión del zener habrá de elegirse entre los valores de 6V y 9V. Como es sabido, cuando las dos entradas de un amplificador diferencial tienen el mismo potencial (entre colectores de los transistores) es nula. Esta circunstancia será aprovechada para medir el mínimo del instrumento mediante el ajuste en el laboratorio, haciendo que la tensión de entrada mediante una fuente de alimentación sea de 10V; y a través de R3, poniendo al mismo valor las tensiones de base de ambos transistores, se ajustará el mínimo valor medible. Cambiando la tensión de entrada a 14V y a través de R5, se ajustará el máximo valor medible. Sólo nos restará tarar la carátula interpolando los diferentes valores entre 10 y 14 voltios. Interesa hacer notar que conviene elegir instrumental con gran inercia en la aguja o, en su defecto, medidores digitales para evitar vibraciones que dificultan las lecturas.

Un paso más sobre la medida del estado de la batería sería la implementación de un circuito para la medida de la corriente de carga y de descarga de la batería. Éste nos indicará más fidedignamente si la batería funciona o no correctamente. Este circuito resulta interesante debido principalmente a que el cableado que requiere es muy sencillo, tal y como se aprecia a continuación:

figura162.jpg (10258 bytes)

Circuito para la medida de corriente de carga y de descarga de una batería.

El principio de funcionamiento consiste en la medida del potencial que se produce en un conductor cuando por él circula una corriente eléctrica. El amplificador diferencial amplificará la caída de tensión que se producirá en el conductor A-B cuando por él circule una corriente. Para saber si la corriente es la de carga o la de descarga bastará con elegir un elemento indicador de bobina móvil y preferentemente de cero central, o cualquier otro medio, que como uno digital, nos permitan una medida de corriente en cualquiera de las dos direcciones de flujo. El funcionamiento del conjunto consistirá en comparar la tensión del punto A contra masa con la del B contra masa. Cuando ambas tensiones sean iguales (no existe circulación de corriente entre A - B), se ajustará R3 de manera que el instrumento indicador señale el cero o centro de la escala. Para tarar la máxima medida positiva resulta más sencillo hacerlo para la descarga de la batería. Para ello, derivaremos el punto B a masa a través de una resistencia equivalente a la que representa el máximo consumo del vehículo (suma del consumo del motor de arranque, luces la radio, etc.), y mediante R5 ajustaremos el máximo valor medible. Si previamente se tomó la precaución de conectar un amperímetro en el conductor A-B, sabremos la proporción entre nuestro medidor y el flujo de corriente real que consume nuestro automóvil. Obviamente este ajuste se hará lo más rápidamente, mediante R5, debido a la fuerte descarga a la que se somete a la batería. Como quiera que el circuito es lineal, la medida anterior nos servirá tanto para un sentido de flujo como para el otro, que indicará la descarga. Obsérvese que el circuito se encuentra alimentado a través de un estabilizador (R1 y D1) que minimiza la influencia que sobre la lectura pudieran tener corrientes de descarga fuertes.

Muchas veces interesa disponer en el vehículo de tensiones estabilizadas, menores de 12V para alimentar pequeños aparatos portátiles; véanse los sempiternos teléfonos móviles, o un "Walkman" o cualquier otro pequeño aparato portátil. Las tensiones de estos aparatos son de 3, 6 y 9 voltios y para su obtención se darán dos circuitos típicos que proporcionarán excelentes resultados.

El primero es la configuración típica de un estabilizador con elemento de paso (serie, por supuesto). Mediante la conmutación de los diodos Zener, obtendremos las distintas tensiones de salida necesaria:

figura1614.jpg (5406 bytes)

Estabilizador de tensión mediante transistor serie

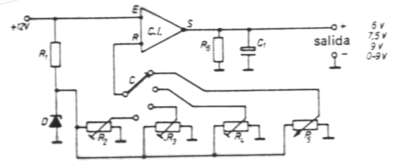
El segundo de ellos es el circuito de aplicación del circuito integrado MD 695. Mediante el conmutador ‘C’, puede seleccionarse cualquiera de las tensiones antes mencionadas y además la posibilidad de una regulación continua de tensión entre 0 y 9 voltios mediante el potenciómetro P5:

figura1613.jpg (7105 bytes)

Estabilizador de tensión mediante circuito integrado

Para terminar esta entrega pasaré a describir los cargadores de baterías. Los más sencillos están formados por un transformador y un rectificador de doble onda, tal y como sigue:

figura1623.jpg (4985 bytes)

Cargador de baterías sencillo

El transformador proporciona una tensión en el secundario de entre 15 y 16 voltios. En el diseño del grupo rectificador, se ha de tener la precaución de que la tensión que son capaces de aguantar en inverso es mayor que la que da el transformador. Estos circuitos aunque simples, tienen el inconveniente de que, aunque la batería haya alcanzado la máxima carga, todavía se le sigue suministrando corriente, con los perjuicios consiguientes de calentamientos y, con ello, el acortamiento de la vida útil de la batería.

Para solventar estos inconvenientes, se diseñan circuitos que detectan cuándo la batería se ha cargado, interrumpiendo totalmente la corriente de carga. Básicamente estos circuitos tienen un principio de funcionamiento similar: un elemento, que puede controlar corriente, se dispone en serie con el circuito de carga de la batería. Este elemento es controlado por otro circuito, generalmente un detector de nivel de tensión, que da la orden de interrumpir la corriente de carga en el momento oportuno. A continuación, presentaré un circuito que realiza esta función. Será mediante componentes discretos, con el fin de que resulte más didáctico, aunque existen versiones de este circuito ya integradas, con todas las ventajas que esto conlleva.

El cargador implementado con componentes discretos es el que a continuación mostramos:

figura1625.jpg (11131 bytes)

Cargador de baterías con final de carga por transistor

caracteristicas.jpg (14943 bytes)

Características de descarga de distintos acumuladores

Como se ve, lo conforman una serie de subcircuitos que pasaremos a describir someramente:

El circuito rectificador compuesto por un transformador reductor y un puente rectificador.
El circuito generador de corriente formado por el par Darlington de los transistores Q1 y Q2 hace que la tensión en los bornes de salida dependa del estado de carga la batería.
El circuito limitador de corriente, formado por Q5 garantiza que, aún en caso de cortocircuito de los bornes de salida, la corriente que va a circular por Q1 va a estar dentro de los valores permisibles para este transistor; además, cuando la corriente de carga supera el valor prefijado por el conmutador y las resistencias R10, R11 y R12, hace disminuir la corriente de base de Q2 restableciendo el valor de corriente de carga prefijado.
El circuito disparador de final de carga, formado por Q3 y Q4 configurado en báscula Schmitt, detecta cuando la carga de la batería es suficiente, desconectando el circuito.

El valor de la carga que hace alcanzar la batería es regulable mediante la resistencia ajustable R6. El diodo hace que, una vez finalizada la carga, la batería no se descargue sobre nuestro circuito. Mediante el pulsador P pondremos en marcha el cargador. Siempre que la tensión de la batería bajo carga sea menor que la prevista , la fracción de tensión masa - toma media de R6 será lo suficientemente baja como para que Q4 esté cortado y Q3 saturado haciendo que el relé esté alimentado y, aunque se deje de pulsar P, el circuito continuará conectado. Cuando la batería alcance la carga prefijada la báscula cambiará de estado desconectando el relé y con él el circuito.

tabla1.jpg (16736 bytes)

Comparación de energía acumulada, por unidad de peso y de volumen, de distintos acumuladores (según Miniwatt)

tabla2.jpg (21537 bytes)

Comparación de tensión, mantenimiento de carga y ciclo de vida de distintos acumuladores (según Miniwatt)

Bueno, hasta aquí la primera entrega sobre este tema. Una puntualización más que quería hacer. Como se observa, ni he dado los valores de los componentes, ni he dado las fórmulas de cálculo para hallarlos. Esto se debe a que supongo que el lector está versado sobre el tema y determinará los componentes en función de sus propias necesidades. De todas formas, yo recomendaría que para más información consultaran libros como "Circuito Electrónicos. Análisis simulación y diseño" de Norbert R. Malik o, en su defecto, "Microelectrónica" de Jacob Millmann. Aquí sólo he pretendido realizar una introducción somera a las aplicaciones más básicas de la electrónica en la automoción. Les espero en la próxima entrega en la que nos adentraremos en los circuitos existentes en el coche. Hasta entonces y que ustedes lo "cacharreen" bien.

Volver al principio del artículo             Volver al principio

RECORTES

Ciencia y fatalismo

Por SALVADOR REGUANT. Diario "El País" ( 11-10-00)

Nancy J. Rothwell advertía recientemente en la revista Nature sobre la necesidad de comunicar la ciencia no en forma de afirmaciones de hechos, ya que este sistema no resultaba en una comprensión mínima de lo que descubre la ciencia y de lo que es la misma ciencia. El subtítulo de su trabajo era bien explícito: "El apetito de los humanos por la ciencia no debe ser despertado con una dieta de sólo hechos". Hay que buscar una forma de comunicación que permita entender los resultados de la ciencia en el contexto de la actividad científica y de toda la actividad humana.

Estas consideraciones me han parecido de particular interés una vez que el descubrimiento del genoma humano ha ocupado las mejores páginas de los periódicos. Tengo la impresión de que si recibimos informaciones desnudas sobre estas cuestiones, sin un criterio ecuánime y una ponderación de su significado, vamos a caer fácilmente en formas de fatalismo. Me temo mucho que si algún aspecto de la persona puede atribuirse a los genes, es decir, es algo somático, una reacción frecuente será "a mí me ha tocado esto, ¿que le vamos a hacer?".

Cuando este dato se refiere a las enfermedades hay una cierta esperanza de rebasar el puro fatalismo, ya que se habla con frecuencia de terapias génicas, es decir, de terapias que pretenden modificar los aspectos perjudiciales de determinadas características genéticas. Más difícil me parece y, en ciertos aspectos, más abocado a un fatalismo pernicioso e inadecuado es todo lo que se refiere a aquellos factores genéticos que se manifiestan en términos de actuaciones humanas, de tendencias en el temperamento, de características del carácter, individual y colectivo. "Soy (o somos) así, ¿qué le vamos a hacer?". La educación se basaba, y se basa aún mayormente, en el supuesto de que nuestras acciones, nuestras tendencias de comportamiento, nuestros modos de reaccionar y actuar, eran fruto solamente de la cultura, entendida la palabra cultura como algo que escapa a los elementos somáticos de las personas. Por ello, todo lo que es "natural", es decir, no cultural, es algo prácticamente inmodificable. Esta actitud forma parte de la llamada falacia naturalista que afirma que los dictados de la naturaleza no pueden ser modificados.

Estamos llegando a un punto en que esta opinión ha de pasar a ser inadecuada. Nuestra cultura es, también, fruto de nuestro código genético. Es particularmente importante reflexionar sobre ello. Si aceptamos el fatalismo al que nos llevaría la afirmación de que lo natural es, prácticamente, inmodificable, llegaríamos a posturas tan peligrosas como falsas, tales como el racismo o la aceptación de que no vale la pena gastar dinero en pretender cambiar la manera de ser de un individuo o de una comunidad. Algo de esto parece que quieren hacer las compañías de seguros a la hora de contratar sus servicios, referidos a las condiciones de salud de sus asegurados. Existe una terapia génica y debe existir una educación que, no cerrando los ojos al hecho real de la importancia de los componentes genéticos en los propios aspectos de la cultura y comportamiento de individuos y grupos humanos, permita plantear la cuestión esencial de la educación, es decir, la modificación de los aspectos torcidos de la personalidad y el apoyo al desarrollo de los aspectos correctos. Quizá podríamos enterrar a Rousseau y tendríamos perspectivas mejores en educación.

Salvador Reguant es catedrático emérito de Geología de la Universidad de Barcelona reguant@geo.ub.es

Volver al principio de la noticia             Volver al principio de Recortes             Volver al principio

Las tres M de la ciencia española

PERE PUIGDOMÈNECH. Diario "El País", Lunes 16 octubre 2000

Cuentan de don José Pich y Pon, concejal del Ayuntamiento de Barcelona por el partido de Lerroux y alcalde accidental en sus momentos, que, al ser preguntado sobre el secreto del buen gobierno, respondió con una fórmula magistral: "Las tres M: Ministrasión, Ministrasión y Ministrasión". No hace falta conocer catalán para identificar que a lo que refería don José era a la Administración, es decir, a lo que hoy llamamos gestión. Tras los años de vacilaciones de los últimos Gobiernos socialistas y tras diversas ideas que han ido formulándose en los tiempos recientes, lo cierto es que el sistema publico de ciencia y tecnología español está en un momento especialmente caótico y necesita que se le aplique una dosis importante de rigor en la gestión.

En España los grupos de investigación no tienen ninguna seguridad de obtener los medios que les permiten realizar su trabajo. Se trata de un extraño colectivo de funcionarios que deben buscar afanosamente los recursos que les permitan trabajar lo más posible. Ello quiere decir que dependen de las distintas convocatorias de proyectos, becas, infraestructura o convenios de cooperación que convocan las distintas administraciones. Se trata de un sistema competitivo y homologable al de muchos países de nuestro entorno, al que se han adaptado profesores de universidad, investigadores públicos y de empresas. Si ocurre que las convocatorias se retrasan o no aparecen, el resultado es desastroso, y esto es lo que está ocurriendo en los últimos tiempos. La convocatoria de proyectos de 1999 se publicó con meses de retraso y todavía no se ha resuelto, haciendo que muchos grupos se queden sin proyecto durante meses, lo que implica no poder solicitar nada más, ya que, por ejemplo, becas y contratos dependen de tener proyectos en marcha. Hace tres años que no han aparecido convocatorias de infraestructura, y de ellas dependen la renovación y compra de instrumental. En el Plan Nacional de I+D se preveían nuevos tipos de contratos de personal que se esperan con impaciencia. Se preveían acciones prioritarias como una específica de genómica que parecía pobre de medios pero que no ha llegado ni a salir de los cajones del ministerio. Esta situación comenzó antes de la creación del Ministerio de Ciencia y Tecnología, y se entiende que los cambios en la estructura de éste puedan explicar algunos de estos retrasos, pero la urgencia es grande.

Sin embargo, no todo es gestión. El sistema de ciencia y tecnología español está a medio hacer, y además los tiempos cambian. Por tanto, dejar las tres M a la gestión puede ser excesivo. Deberíamos incluir una segunda M que podríamos llamar iMaginación. Es obvia la oportunidad que da el nuevo ministerio para plantearse una mejor coordinación del sistema, reforzar los procedimientos de evaluación, decidir el marco de la transferencia de tecnología y la creación de nuevas empresas, crear una nueva carrera científica mediante contratación laboral o para repensarse la función del CSIC y los demás OPI (organismos públicos de investigación). Se ha perdido demasiado tiempo no afrontando éstos y otros temas estructurales que debilitan nuestro sistema de I+D, y ello necesita sin duda imaginación y decisión.

Pero todo ello no tiene sentido sin la tercera M, que procede de una palabra universal: money. En esto, don José Pich hubiera estado probablemente de acuerdo. A pesar de todas las declaraciones, el dinero no acaba de llegar a los fondos de investigación competitiva. La experiencia cotidiana nos dice que los proyectos se recortan, el número de becas disminuye y la infraestructura no aparece. No se puede gestionar bien ni reformar sin un aporte suficiente de dinero. Las desgravaciones para las empresas son importantes y positivas, pero el sistema público es todavía débil y está financiado por debajo del nivel de subsistencia. Por tanto, gestión rigurosa del sistema, imaginación en las reformas y dinero deberían ser prioritarias en la situación actual. Esperemos que sin perder demasiado tiempo los responsables acierten o tengan los medios suficientes para acertar. Lo que se ha perdido por el camino son las tres M del señor Pich y Pon, aunque ya se sabe que en esto de la lengua los catalanes no lo tienen muy claro.

Pere Puigdomènech es profesor de Investigación del Consejo Superior de Investigaciones Científicas.

Volver al principio de la noticia             Volver al principio de Recortes             Volver al principio

La Agencia de Evaluación de Proyectos afirma que está desbordada

Diario "El País", Lunes 16 octubre 2000

La Agencia de Evaluación de Proyectos afirma que está desbordada "Somos el mismo personal que hace 10 años", señala la directora M. S., Madrid El nuevo equipo del Ministerio de Ciencia y Tecnología ha declarado que su intención es potenciar la Agencia Nacional de Evaluación y Prospectiva (ANEP), multiplicando por diez su partida presupuestaria. Sin embargo, todavía no hay planes ni fechas concretas. Fuentes de esta agencia, encargada de la evaluación de proyectos de investigación, señalan que esta situación genera tensión e inseguridad porque el organismo está "atascado de trabajo". http://www.elpais.es/p/d/20001016/sociedad/g372.gif El secretario de Estado de Investigación, Ramón Marimón, dijo recientemente en el Congreso que el presupuesto para la ANEP será de 1.000 millones de pesetas. También se pretende crear una fundación que funcione en paralelo a la agencia, pero coordinadamente.

La nueva directora de la ANEP, María Marsé, fue nombrada en agosto. Sin embargo, el personal aún no ha recibido comunicación oficial del cambio:

"Somos el mismo personal que hace 10 años, pero tenemos mucho más trabajo", afirman en la ANEP. Esta agencia evalúa al año unos 10.000 proyectos. El año pasado, unos 3.000 de ellos procedieron del Plan Nacional de I+D, incluyendo los programas nacionales y el área de promoción general del conocimiento, que es investigación básica no orientada. Este año han sido unos 4.500 en la convocatoria de mayo. En la ANEP creen "bastante difícil" tener evaluados estos proyectos en octubre, entre otras cosas, porque debían haber llegado a la agencia antes del verano, aunque lo hicieron en agosto.

Al tiempo que la ministra Anna Birulés anunciaba la reforma de la ANEP, el director general de Investigación Científica, Manuel de Hermenegildo, se reunió con investigadores que pedían explicaciones por los retrasos. Según los científicos, De Hermenegildo dijo en el encuentro que no había que hacerse ilusiones, porque el nuevo ministerio nacía pobre.

Volver al principio de la noticia             Volver al principio de Recortes             Volver al principio

El retraso en los pagos ministeriales bloquea los proyectos de cientos de investigadores

Diario "El País", Lunes 16 octubre 2000

El retraso en los pagos ministeriales bloquea los proyectos de cientos de investigadores Científicos denuncian una demora de seis meses que afecta a trabajos sobre enfermedades humanas MÓNICA SALOMONE, Madrid El elogio de la investigación básica que a menudo realiza la ministra de Ciencia y Tecnología, Anna Birulés, casa mal con los hechos. Decenas de biólogos de distintas especialidades denuncian serios retrasos en la financiación de sus proyectos, problema que amenaza con paralizar investigaciones a menudo relacionadas con enfermedades humanas. La situación más extrema afecta a varios centenares de grupos en áreas de biomedicina, cuyos fondos debían haber llegado hace medio año. Algunos investigadores lo atribuyen a recortes presupuestarios encubiertos; otros, a la lentitud en montar el nuevo ministerio. Todos alertan contra el "desmoronamiento de una estructura que empezaba a funcionar bien". Fuentes del ministerio dicen que el retraso se debe a los cambios de organización, e insisten en que la investigación básica se va a potenciar. La letanía se repite en un laboratorio tras otro: grupos cuyo proyecto de investigación acabó hace meses y que no han recibido aún los fondos del siguiente, ya evaluado y aprobado. Dicen subsistir con dinero de otros proyectos aún en marcha, adelantado por su centro, o pedido en préstamo a otros grupos. A menudo sus becarios trabajan sin cobrar, ya que las becas y los contratos se asocian a los proyectos. Aldo González, del Centro de Investigaciones Biológicas que pertenece al Consejo Superior de Investigaciones Científicas (CSIC), dice que están "estirando miserias". Los científicos españoles obtienen financiación presentando proyectos a diversas instituciones, sobre todo a la Administración central, que dentro del plan nacional de I+D celebra una convocatoria anual para cada área de investigación. Los proyectos se remiten a la Agencia Nacional de Evaluación y Prospectiva (ANEP), que emite su dictamen gracias a una red de evaluadores anónimos. El ministerio toma en cuenta esta opinión que le lleva a decidir si da dinero a cada proyecto y qué cantidad. Las convocatorias no debían tardar más de ocho meses en resolverse y solían convocarse de forma que el plazo de resolución coincidiera con el final del proyecto anterior -los proyectos del plan nacional duran tres años y no pueden solaparse-.

Sin embargo, a principios del pasado verano, varios grupos denunciaron que el sistema hacía aguas. Unos 400 proyectos del Programa de Salud y de algunas áreas del de Promoción General del Conocimiento (investigación básica) presentados en la convocatoria cerrada en septiembre de 1999 aún no habían sido resueltos. En otras áreas de ciencia básica de la misma convocatoria -que salía con meses de retraso- ya se sabía el estado de las solicitudes, pero no cuándo se recibirían los fondos.

Nuevo ministerio

Fuentes de Ciencia y Tecnología explicaron entonces que los retrasos se debían a la puesta en marcha del nuevo ministerio, creado tras las últimas elecciones generales y en cuya cúpula no se incluyó a los autores del plan nacional de I+D 2000-2003 -los dirigentes de la disuelta Oficina de Ciencia y Tecnología-. El ministerio dijo que las convocatorias pendientes se resolverían antes del verano. Así fue: el 31 de julio se notificó a los solicitantes el estado de los proyectos. Pero los fondos, que según muchos han sufrido apreciables recortes, siguen sin llegar. Los retrasos no afectan sólo a la convocatoria de septiembre de 1999. La última convocatoria del plan nacional se cerró en mayo, cuando debía haber salido a finales del año pasado. Se han presentado 4.500 proyectos, más de lo habitual, que la ANEP está evaluando. "Hubiera debido quedar resuelta en julio, para tener el dinero en septiembre. Pero, con suerte, se resolverá a finales de año", dice González.

Esta primavera no se admitieron solicitudes de las áreas pendientes de la anterior convocatoria (las del Programa de Salud y del área de biomedicina de Promoción General del Conocimiento), que entonces estaban aún evaluándose. Los investigadores de esas áreas, según fuentes del ministerio, deberán esperar a la próxima convocatoria para todas las áreas, previsiblemente a finales de año. Para entonces habrán estado más de un año sin poder presentar proyectos.

Muchos coinciden con la opinión de Isabel Varela, del Instituto de Investigaciones Biomédicas: "La salida de una convocatoria se convierte en un hecho impredecible, aleatorio. Es un sistema que se está desmoronando. Se han hecho esfuerzos para crear una maquinaria bien engrasada, con convocatorias que se resolvían en seis meses, con un criterio para dar becas. Ahora no sabes cuándo van a salir ni las convocatorias ni las becas, y la gente está desorientada y pide proyectos a todo, le cuadre o no, por miedo a quedarse sin dinero".

Alberto Ferrús, del Instituto Cajal de Neurociencias (CSIC) cree que "nunca tuvieron intención de resolver los proyectos pendientes" y que "aún está por ver cuándo lo harán". Su último proyecto del Plan Nacional acabó en mayo. Sabe desde julio que se le han concedido 30 millones de pesetas -seis menos de los que solicitaba-, pero no cuándo los recibirá.

"Mendigando dinero"

"Me ha costado dos millones de pesetas mantener el laboratorio abierto, dinero que no recuperaré nunca, porque el ministerio no contempla los pagos retroactivos. Estamos literalmente mendigando dinero, y en estas condiciones es imposible trabajar", dice.

En una carta remitida al ministerio el 29 septiembre con copia a Birulés, Ferrús afirma: "Es evidente que ustedes no saben absolutamente nada de cómo funciona un laboratorio de investigación y, a juzgar por sus propias respuestas telefónicas, creen que la investigación se puede parar cuando no hay financiación". En su opinión, el hecho de que las áreas "a la cola" de los retrasos sean las de investigación básica obedece al desinterés del ministerio por la ciencia básica.

Su situación es similar a la de Varela, que espera el dinero de un proyecto cuya aprobación se le notificó en mayo. "Voy a pasar medio año sin financiación", dice. Y teme que el descontrol suponga la vuelta a lo que un colega suyo llama la era digital: "Cuando los proyectos se daban a dedo". También hay críticas sobre la tardanza del ministerio en explicar sus intenciones. Las comparte Jesús Ávila, del Centro de Biología Molecular (CSIC). Carlos Avendaño, presidente de la Sociedad Española de Neurociencias, cree que el malestar no es sólo por los retrasos, sino en general por el poco peso de la ciencia en España. Y le parece "escandaloso que pase más de un año desde que se presenta el proyecto hasta que llegan los fondos".

Fuentes de Ciencia y Tecnología explicaron de nuevo la semana pasada que los retrasos se han debido a la reorganización del sistema y reiteraron la importancia que se quiere dar a la ciencia básica. "Parte del aumento de fondos para I+D que se ha anunciado serán para la ciencia básica, así que los investigadores deberían estar contentos", dicen estas fuentes oficiales, que piden "un poco de paciencia". Y afirman que los pagos se están efectuando con normalidad.

Volver al principio de la noticia             Volver al principio de Recortes             Volver al principio

El peso militar lastra el Plan Nacional de Investigación

Diario "El País", Lunes 16 octubre 2000

El 1 de enero de este año arrancó el VI Plan Nacional de Investigación y Desarrollo (que en esta edición recibió el añadido de Innovación) para el periodo 2000-2003. Los objetivos, según el Gobierno, eran elevar el nivel de la ciencia y la tecnología españolas, incrementar los recursos humanos cualificados, aumentar la competitividad de las empresas, mejorar la utilización de los resultados de I+D, fortalecer el proceso de internacionalización de la ciencia y la tecnología españolas y depurar el nivel de conocimientos científicos.

Sus previsiones presupuestarias para el año 2000 son de 508.120 millones de pesetas, que incluyen 266.000 millones destinados en gran parte a iniciar la construcción de equipos militares. Los restantes 239.000 millones son los que debían destinarse a financiar proyectos de investigación, en gran parte afectados por los retrasos denunciados. En cuanto al proyecto presupuestario para 2001, el gasto total propuesto asciende a 571.000 millones, de los que 298.000 millones corresponden a la partida de créditos sobre todo para la construcción de unidades de Defensa (esencialmente las fragatas F-100, los aviones supersónicos de combate EF-2000, los tanques Leopard y los aviones patrulla P-3 Orión). También se incluyen en esta partida programas de desarrollo, de cuantía comparativamente menor, del avión civil Airbus.

Pocos Investigadores

El número de investigadores en España es muy bajo en comparación con la media europea, 3,3 por cada 1.000 habitantes. También es bajo el porcentaje del producto interior bruto (PIB) destinado a investigación y desarrollo, que no alcanza el 1% (1,17% si se incluyen los proyectos militares). El objetivo del plan es alcanzar el 1,29% en 2003, porcentaje del cual el 65,3% correspondería a la inversión privada. Es decir, el Gobierno pretende que sea la inversión privada (ahora cercana al 50%) la que financie el crecimiento de la ciencia española y la acerque a la media europea, que supera el 2% del PIB.

El nuevo Plan Nacional se gestó en la Oficina de Ciencia y Tecnología (OCYT), adscrita a Presidencia del Gobierno en el anterior Gabinete, que dio paso tras las elecciones generales de 2000 al nuevo Ministerio de Ciencia y Tecnología. Sin embargo, se produjo una ruptura en esta reorganización ministerial, ya que el equipo de la OCYT, que había gestado el plan, dirigido por Fernando Aldana, no pasó al nuevo ministerio, ya que la titular, Anna Birulés, formó su propio equipo.

Volver al principio de la noticia             Volver al principio de Recortes             Volver al principio

  

linea.gif (922 bytes)
Vivat Academia, revista del "Grupo de Reflexión de la Universidad de Alcalá" (GRUA).
Tus preguntas y comentarios sobre este Web dirígelos a vivatacademia@uah.es
Copyright © 1999 Vivat Academia. ISSN: 1575-2844.  Números anteriores. Año III
Última modificación: 13-12-2002